
产品描述:
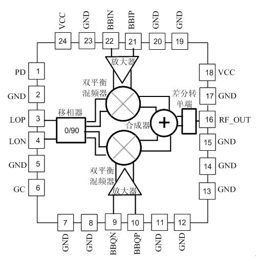
MG1021是一款高线性度、低噪声的直接正交调制器,可以把复杂的基带或中频调制信号直接转换到射频。MG1021能够实现从400MHz到4GHz的理想的高性能的直接射频调制,兼容主流的0.25V输出共模的DAC芯片。芯片采用了双平衡混频器结构,射频输出采用了差分到单端的转换电路来驱动50Ω负载,在0.9GHz~4GHz不需要任何外部匹配元器件。
MG1021的高集成度、高线性度,将显著降低射频收发系统解决方案成本、缩小PCB板面积以及提高系统稳定性。
主要性能:
◇ 工作电源电压:3.15-3.45 V
◇ 低噪底: -160 dBm/Hz @2.14GHz
◇ 高OIP3: +29 dBm @2.14GHz
◇ 输入1dB压缩点: 10.6dBm @2.14GHz
◇ 载波馈通: <-40 dBm
◇ 边带抑制: <-40 dBc
◇ IQ基带输入共模电平:0.25 V
◇ 封装:24-Lead QFN (4mm x 4mm)
应用场合:
◇ 蜂窝基站发射通道
◇ CDMA: IS95, UMTS, CDMA2000, TD-SCDMA
◇ TDMA: GSM, IS-136, EDGE/UWC-136
◇ LTE, LTE-Advance
◇ 多载波GSM(MC-GSM)
◇ 无线城域网(Wireless MAN)宽带收发机